Budowa źródła - cnccad

Idź do spisu treści

Menu główne:

Budowa źródła

Troche o ... > Cięciu, czyli ...

Źródło plazmowe , to tak naprawdę nic innego jak generator.
Różni producenci , mają różne pomysły i rozwiązania, ale zasada działania jest niezmienna od lat.
Zanim powstała plazma do cięcia i spawania, były juz duże generatory spawalnicze.
Były one wykonane podobnie jak obecne ale regulacja prądu spawania była już rożna. Ruchomy rdzeń , odczepy po stronie wtórnej lub pierwotnej.
Jednymi z pierwszych prostowników jakie znalazły zastosowanie w spawaniu były to prostowniki lampowe. Kilka lat później postawiona na prostowniki selenowe.
Jednak te drugie , miały zbyt słabą żywotność. Lampowe, też były wrażliwe na warunki w jakich pracowały , ale zdecydowanie bardziej były czułe na wstrząsy.


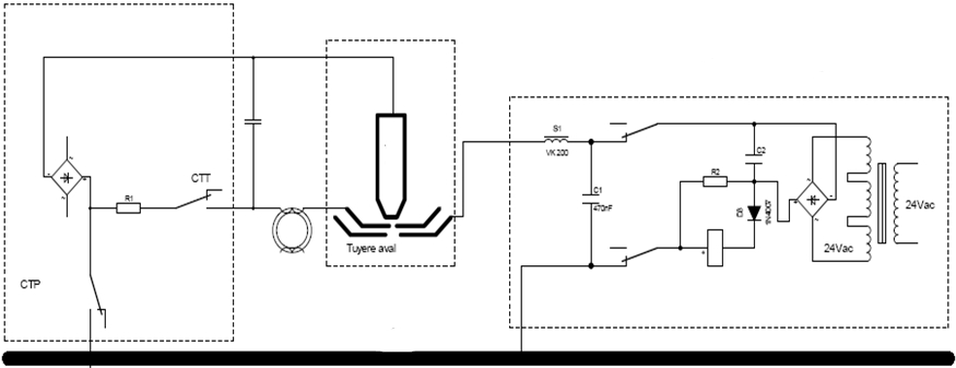
Poglądowy schemat zasady działania zmechanizowanej plazmy do cięcia jest powyżej.
W uproszczonym skrócie , to prostownik , narzędzie ( palnik ) , układ detekcji/wykrywania i układ pomiarowy AVC , zwany potocznie THC.
Urządzenia te muszą z sobą współpracować na poziome wartości mierzonych.

1. Generator to transformator i prostownik. Czasami transformator posiada odczepy gdzie można zmieniać moc .
    Nowej generacji urządzenia są wykonane w technologii inwertorowej. Są to nie zawsze dobre rozwiązania dla przemysłu.
2. Narzędzie, czyli w naszym przypadku to palnik. Jest elementem odpowiedzialnym technicznie za proces cięcia plazmowego.
    Od jego jakości, umiejętności obsługi zależy jakość cięcia i ekonomia.
3. Układ detekcji/wykrywania. To tak naprawdę już dodatek do cięcia zmechanizowanego. Układy te odpowiadają za wykrywanie
    materiału i przeniesienie łuku plazmowego z dyszy na materiał w celu rozpoczęcia cięcia.
4. Układ pomiarowy, odpowiada za odpowiednią wysokość prowadzenia palnika nad ciętym materiałem. Jest to o tyle ważne że cięcie plazmowe
    jest wyjątkowo "kapryśnym" procesem i sprawia bardzo dużo problemu przy diagnozowaniu maszyn i urządzeń serwisom nie znającym podstaw technologicznych.
   Zwyczajowo , układ pomiarowy zaczyna poprawiać pozycję wysokości prowadzenia juz od 0,2V. Należy pamiętać o tym, że napięcie jest mierzone zawsze po między
   elektrodą naładowaną ujemnie i ciętym materiałem.






 
Wróć do spisu treści | Wróć do menu głównego